|
|---|
节能干燥设备-方形/圆形真空干燥机 (通过欧盟CE认证)
Energy Saving Drying Equipment --Square / Circular Vacuum Dryer (CE Approved)

1.概述Descriptions
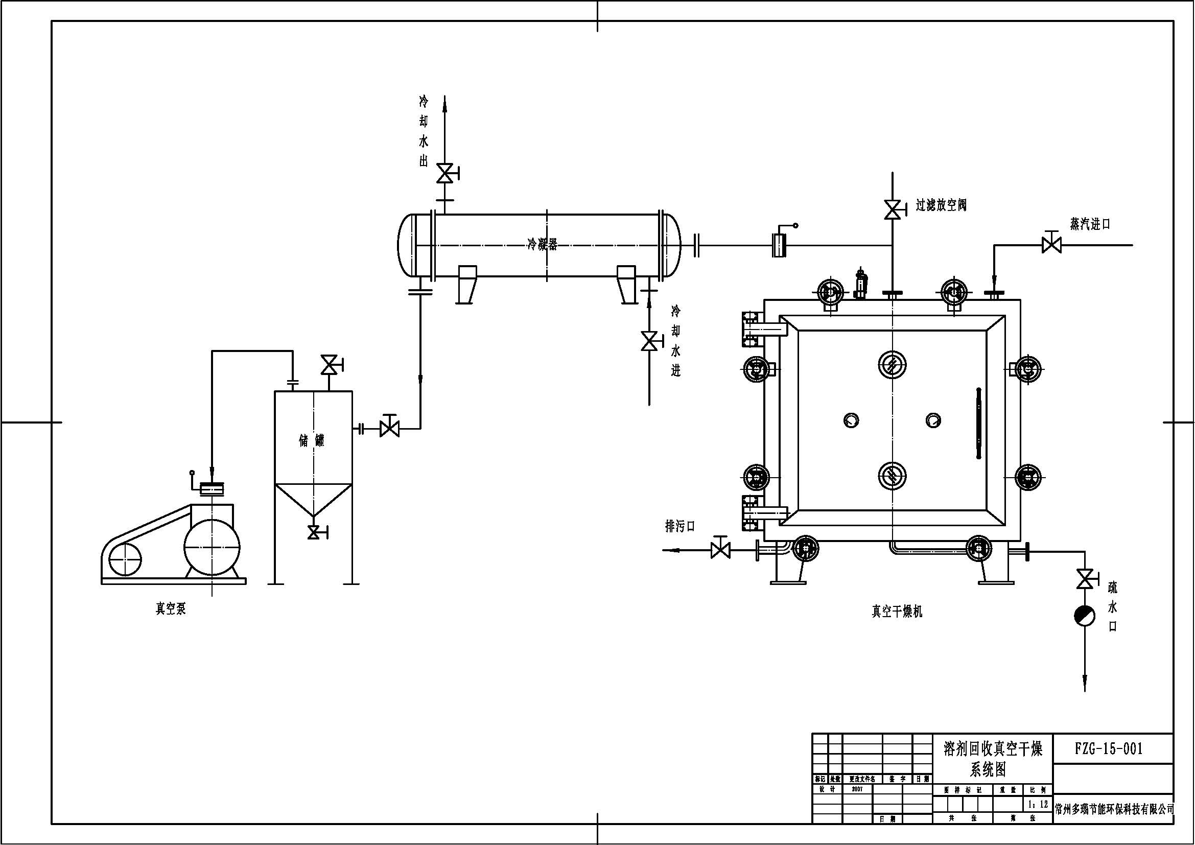
FZG/YZG系列真空干燥机是我公司在结合同类设备技术的基础上开发的新一代干燥装置。 整个系统包括真空干燥箱,仪表,真空系统,热源,控制柜等
FZG/YZG Series Vacuum Dryer is a new generation drying device developed by our factory on the basis of combining the technology of similar equipment. The whole system include vacuum drying room , instrument gauge ,vacuum system , heat source , control cabinet ,etc…
2.工作原理Principle
湿物料平铺在托盘上,托盘放置于干燥箱内的夹套加热辐射板上面,热量通过辐射板传递给托盘内的物料,蒸发出来的湿分被真空系统抽出排放,达到干燥的目的,由于在真空状态下大部分物料的沸点会降低,所以真空干燥机适合干燥那些需要低温干燥的物料。
Raw material with moisture (solvent) tiling on the tray , tray was putting on the heating jacket plate ,heating media transfer the heat to the material , moisture(solvent) evaporated and being removed by vacuum system discharged as exhaust , then the material being dried , since most of material has low boiling point in vacuum condition , the vacuum dryer suit for the material which need low drying temperature .
3.应用Applications
适用于化工,制药,食品等行业需要在低温状态下浓缩、混合干燥的原料(如生物化学)。 特别适用于容易被氧化,挥发,具有光敏感性且具有毒性,不允许在干燥过程中破坏晶体的原料。
◆不耐高温的热敏原料。 ◆采用溶剂和危险气体的材料。
◆危险且容易氧化的材料。◆挥发性残留含量低的材料。
◆对晶体形状有特殊要求的材料。
It is suitable for the raw materials that need to concentrate, mixed and dried at low temperature (for example, biochemistry) products in chemical, pharmaceutical and foodstuff industries. It is particularly suitable for the raw materials that are easy to be oxidized, volatilized and have light sensitivity and is toxic and not permitted to destroy its crystal in drying process.
◆ Thermal sensitive raw materials that cannot stand high temperature.
◆ Materials with solvent and dangerous gases to be collected.
◆ Materials that are dangerous and easy to oxidize.
◆ Materials that require low content of volatile residual.
◆ Materials that have special requirements for crystal shape.

4.技术参数Technical Parameters
规格Model |
YZG-600 |
YZG-800 |
YZG-1000 |
YZG-1400A |
FZG-10 |
FZG-15 |
FZG-20 |
箱内尺寸Inner size(mm) |
φ600×976 |
φ800×1247 |
φ1000×1527 |
φ1400×2054 |
1500×1060× |
1500×1400 |
1500×1800 |
箱外尺寸Outside size(mm) |
1135×810× |
1700×1045× |
1693×1190× |
2380×1675×1920 |
1924×1720 |
1513×1924 |
1924×2500 |
烘架层数Tray level |
4 |
4 |
6 |
8 |
5 |
8 |
12 |
层间距离Distance between tray level(mm) |
81 |
82 |
102 |
102 |
122 |
122 |
122 |
烘盘尺寸Tray size(mm) |
310×600×45 |
520×410×45 |
520×410×45 |
460×640×45 |
460×640 |
460×640 |
460×640 |
烘盘数Tray number |
4 |
8 |
12 |
32 |
20 |
32 |
48 |
管内使压Working pressure in pipe(MPa) |
≤0.784 |
≤0.784 |
≤0.784 |
≤0.784 |
≤0.784 |
≤0.784 |
≤0.784 |
使用温度Working Temperature(℃) |
35-150 |
35-150 |
35-150 |
35-150 |
35-150 |
35-150 |
35-150 |
箱内空载真空度pressure in dryer(MPa) |
-0.1 |
-0.1 |
-0.1 |
-0.1 |
-0.1 |
-0.1 |
0.1 |
在-0.1MPa,加热温度110℃ |
7.2 |
7.2 |
7.2 |
7.2 |
7.2 |
7.2 |
7.2 |
用冷凝器时,真空泵型号、 |
2X-15A 2KW |
2X-30A 3KW |
2X-30A 3KW |
2X-70A 5.5KW |
2X-70A 5.5KW |
2X-70A 5.5KW |
2X-90A 2KW |
不用冷凝器时, |
SZ-0.5 1.5KW |
SZ-1 2.2KW |
SZ-1 2.2KW |
SZ-1 2.2KW |
SZ-2 4KW |
SZ-2 4KW |
SZ-2 5.5KW |
干燥箱重量(kg)Weight of dryer |
250 |
600 |
800 |
1400 |
1400 |
2100 |
3200 |
Contact:
|
Name: Mr.Jack Chen , Cell Phone : 0086-138-0611-9207 , Email: donautech@126.com Address: Shen'an Industry zone ,Zhenglu Town , Changzhou City ,Jiangsu Province , China . |
Name: Ms.Emily Zha, Cell Phone : 0086-137-7510-5518 , Email: Emilyzha@126.com Address: Shen'an Industry zone ,Zhenglu Town , Changzhou City ,Jiangsu Province , China . |